Ваш город:
Глазов
Ваш город Глазов?
Да Выбрать другой
Заказать звонок
Фильтр

Мотор-редуктор МЦЧ-125

Описание

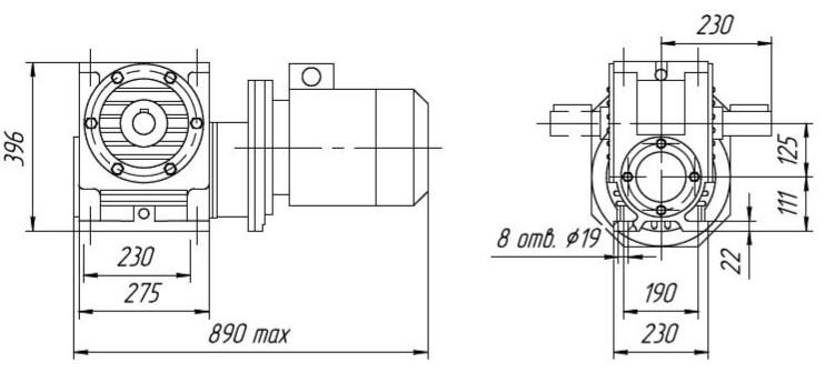
Габаритные размеры

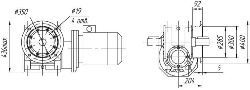
С опорным фланцем

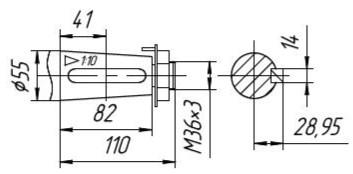
Выходной вал «Квн»

Выходной вал «Кнар»

Выходной вал «Ц»

Выходной вал с шлицевым валом

Выходной вал с шпоночным валом

Назад
Выбор города