Ваш город:
Глазов
Ваш город Глазов?
Да Выбрать другой
Заказать звонок
Фильтр

Планетарно-червячные мотор-редукторы МПЧ2-40/63, МПЧ2-40/80

Описание

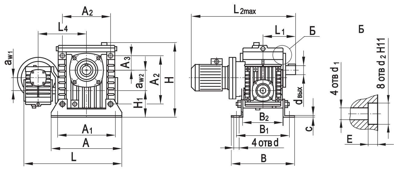
Габаритные размеры редуктора на лапах

 

iN n1 n2 МПЧ2-40/63 МПЧ2-40/80
Р1 Т2 η Р1 Т2 η
мин-1 кВт Н.м кВт Н.м
250 (4х8х8) 1500 6 0,3 250 0,59 0,5 459 0,61
1000 4 0,2 255 0,58 0,3 465 0,6
750 3 0,1 257 0,57 0,3 468 0,58
315 (5х8х8) 1500 4,76 0,2 253 0,58 0,4 462 0,6
1000 3,17 0,2 256 0,56 0,3 467 0,58
750 2,38 0,1 257 0,55 0,2 470 0,57
400 (6,3х8х8) 1500 3,75 0,2 255 0,57 0,3 465 0,59
1000 2,5 0,1 257 0,56 0,2 469 0,58
750 1,88 0,1 259 0,55 0,2 471 0,57
500 (4х8х16) 1500 3 0,2 265 0,56 0,3 483 0,58
1000 2 0,1 267 0,54 0,2 488 0,57
750 1,5 0,1 268 0,53 0,1 490 0,56
630 (5х8х16) 1500 2,38 0,1 266 0,54 0,2 486 0,57
1000 1,59 0,1 268 0,53 0,1 489 0,56
750 1,19 0,1 269 0,53 0,1 491 0,55
800 (6,3х8х16) 1500 1,88 0,1 267 0,53 0,2 488 0,55
1000 1,25 0,1 269 0,52 0,1 491 0,54
750 0,94 0,1 269 0,51 0,1 492 0,53
1000 (8х8х16) 1500 1,5 0,1 268 0,51 0,1 490 0,54
1000 1 0,1 269 0,5 0,1 492 0,52
750 0,75 0,04 270 0,49 0,1 493 0,51
1250 (5х16х16) 1500 1,2 0,1 269 0,5 0,1 491 0,51
1000 0,8 0,04 269 0,49 0,1 493 0,5
750 0,6 0,03 270 0,48 0,1 493 0,49
1600 (6,3х16х16) 1500 0,94 0,1 269 0,49 0,1 492 0,5
1000 0,63 0,04 270 0,48 0,1 493 0,49
750 0,47 0,03 271 0,46 0,1 494 0,48
2000 (4х16х31,5) 1500 0,75 0,1 291 0,48 0,1 515 0,49
1000 0,5 0,03 292 0,47 0,1 517 0,48
750 0,38 0,02 293 0,46 0,04 519 0,47
2500 (5х16х31,5) 1500 0,6 0,04 291 0,46 0,1 517 0,47
1000 0,4 0,03 293 0,45 0,1 519 0,46
750 0,3 0,02 293 0,44 0,04 521 0,45
3150 (6,3х16х31,5) 1500 0,48 0,03 293 0,45 0,1 518 0,46
1000 0,32 0,02 293 0,44 0,04 520 0,45
750 0,24 0,02 294 0,44 0,03 521 0,44
4000 (8х16х31,5) 1500 0,38 0,03 293 0,44 0,04 519 0,45
1000 0,25 0,02 294 0,44 0,03 521 0,44
750 0,19 0,01 294 0,42 0,02 521 0,43
5000 (5х31,5х31,5) 1500 0,3 0,02 293 0,39 0,04 520 0,42
1000 0,2 0,02 294 0,37 0,03 521 0,4
750 0,15 0,01 295 0,34 0,02 522 0,36
6300 (6,3х31,5х31,5) 1500 0,24 0,02 294 0,37 0,03 521 0,38
1000 0,16 0,01 295 0,35 0,02 522 0,36
750 0,12 0,01 295 0,33 0,02 523 0,35
8000 (8х31,5х31,5) 1500 0,19 0,02 294 0,35 0,03 521 0,37
1000 0,13 0,01 295 0,33 0,02 523 0,36
750 0,09 0,01 295 0,33 0,01 523 0,35
10000 (8х40х31,5) 1500 0,15 0,01 295 0,35 0,02 522 0,36
1000 0,1 0,01 295 0,33 0,02 523 0,35
750 0,08 0,01 295 0,32 0,01 523 0,34
12500 (8х50х31,5) 1500 0,12 0,01 295 0,33 0,02 523 0,34
1000 0,08 0,01 295 0,31 0,01 523 0,33
750 0,06 0,01 295 0,31 0,01 523 0,32
16000 (4x8х16х31,5) 1500 0,094 0,01 295 0,32 0,02 523 0,33
1000 0,063 0,01 295 0,31 0,01 523 0,32
750 0,047 0,01 295 0,3 0,01 523 0,31
20000 (5x8х16х31,5) 1500 0,075 0,01 295 0,31 0,01 523 0,32
1000 0,05 0,01 295 0,3 0,01 523 0,31
750 0,038 0,004 295 0,3 0,01 524 0,3
25000 (6,3x8х16х31,5) 1500 0,06 0,01 295 0,3 0,01 523 0,31
1000 0,04 0,004 295 0,29 0,01 524 0,3
750 0,03 0,003 295 0,28 0,01 524 0,29
31500 (8x8х16х31,5) 1500 0,048 0,01 295 0,29 0,01 523 0,3
1000 0,032 0,003 295 0,28 0,01 524 0,29
750 0,024 0,003 295 0,27 0,01 524 0,28
40000 (5x8х31,5х31,5) 1500 0,038 0,004 295 0,28 0,01 524 0,29
1000 0,025 0,003 295 0,27 0,01 524 0,28
750 0,019 0,002 295 0,26 0,004 524 0,27
63500 (8x8х31,5х31,5) 1500 0,024 0,003 295 0,27 0,01 524 0,28
1000 0,016 0,002 295 0,26 0,003 524 0,27
750 0,012 0,001 295 0,25 0,002 524 0,26
Типоразмер аW1 аW2 А А1 А2 А3 В В1 В2 L* L1* L2max L3* L4 Н Н1 с  d d 1 d2 Е dвх dвых
МПЧ2-40/63 40 63 220 180 150 45 197 165 125 333 100 502
523
183
225
173 232 82 5 13 10,5 16 8 16 28
МПЧ2­-40/80 40 80 260 225 180 50 212 185 140 388 125 513
567
183
225
208 267 92 5 15 12,5 18 8 16 35

* Размеры приведены без учёта длины резьбового конца вала исполнения К2. 

 

Габаритные размеры редуктора на фланце

Типоразмер аW1 аW2 D D1 D2 H L1* L2max L3* L5 L7 L8* c1 с2 d3 dвх dвых n
МПЧ2Ф­-40/63 40 63 205 140 175 200 100 502
523
183
225
333 120 166 10 3,5 12 16 28 4
МПЧ2Ф­-40/80 40 80 230 160 200 239 125 513
567
183
225
369 130 193 10 5 12 16 35 6

* Размеры приведены без учёта длины резьбового конца вала исполнения К2. 

 

 

 

 

Назад
Выбор города