Ваш город:
Глазов
Ваш город Глазов?
Да Выбрать другой
Заказать звонок
Фильтр

Планетарный мотор-редуктор МПО2М-10

Описание

Описание товара временно отсутствует

Характеристики

Габаритные и присоединительные размеры

МПО2М-10Щ (горизонтальное исполнение на лапах)

Мотор-редуктор МПО2М-10Щ

L1L2L3L4lAA1ВB1СHH1H2d1d2Rt
125 40 420 60 80 250 150 300 210 12 370 160 20 40 17 150 43

МПО2М-10Ф (горизонтальное фланцевое исполнение)

Мотор-редуктор МПО2М-10Ф

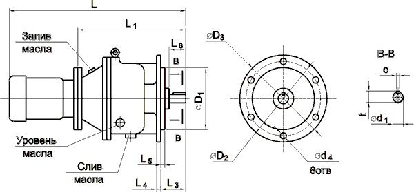
МПО2М-10В и ВК (вертикальное фланцевое исполнение)

Мотор-редуктор МПО2М-10В и ВК

L1L3L4L5L6D1D2D3d1d2d3d4l1l2ct
420 110 16 6 80 270 300 330 40 32 38 13 11 4 12 43

Технические характеристики

Мотор-редукторЭлектродвигатель
Передаточное числоНоминальная частота вращения выходного вала, об/минмасса, кг,не болееКорректированный уровень звуковой мощности по шкале А, дБ, не болееТипМощность, кВт
23,1 63 102 89 4АМХ100s4 3
142 2В100s4
28,2 50 102 4АМХ100s4
142 2В100s4
86 86 4АМХ80B4 1,5
100 B80B4
81 4АМХ71B4 0,75
88 B71B4
45,5 31,5 86 4АМХ80B4 1,5
100 B80B4
45,5 31,5 81 86 4АМХ71B4 0,75
88 B71B4
66,5 20 86 4АМХ80B4 1,5
100 B80B4
81 4АМХ71B4 0,75
88 B71B4
81,6 16 81 4АМХ71B4
88 B71B4
208 6,3 71 4АА63B4 0,37
85 B63B4
2190 0,63 71 4АА63B4
85 B63B4
Радиус водила, ммДопускаемый крутящий момент на выходном валу, Н*мДопускаемые нагрузки на выходном валу, Н
радиальнаяосевая
50 600 3000 1500
Габаритные размеры комплектующих электродвигателей
Тип 4АТип 2B
ГабаритL, mmГабаритL, mm
63В4 186 63В4 245
71А4 245 71А4 265
71В4 245 71В4 265
80А6 260 80А6 300
80В4 270 80В4 300
100S4 305 100S4 455
112MA4 372 112MA4 520
132M4 450 132M4 540
132S4 400 132S4 505

Характеристики

Похожие товары
Планетарный мотор-редуктор МПО2М-18

Мотор-редуктор МПО2М-15 включает в себя двухступенчатый планетарный редуктор и трехфазный асинхронный электродвигатель (0,55-11 кВт). Привод обеспечивает передаточные отношения от 24,6 до 2469. Расположение валов соосное. КПД — 95%.

У нас вы можете купить мотор-редукторы в следующих монтажных исполнениях: МПО2М-15Щ (с креплением на лапах), МПО2М-15Ф (горизонтальное фланцевое исполнение), МПО2М-15В (вертикальное фланцевое исполнение), МПО2М-15ВК (вертикальное фланцевое исполнение с кольцевой канавкой на тихоходном валу).

Варианты климатического исполнения — У (для умеренного климата) и Т (для тропического климата).

ПРИМЕР УСЛОВНОГО ОБОЗНАЧЕНИЯ ПРИ ЗАКАЗЕ:

Мотор-редуктор МПО2М-15ВК-81,5-3/18АМХ100sА4У3 ТУ 2-056-223-84, где:

  • МПО2М - тип мотор-редуктора
  • 15 - условный диаметр водила, см
  • ВК - исполнение вертикальное фланцевое с канавкой на валу
  • 81,5 - передаточное число
  • 3 - мощность двигателя, кВт
  • 18 - частота вращения выходного вала, об/мин
  • АМХ100sА4 - электродвигатель
  • У3 - климатическое исполнение и категория размещения
по запросу
Подробнее
Планетарный мотор-редуктор МПО2М-15

Мотор-редуктор МПО2М-15 включает в себя двухступенчатый планетарный редуктор и трехфазный асинхронный электродвигатель (0,55-11 кВт). Привод обеспечивает передаточные отношения от 24,6 до 2469. Расположение валов соосное. КПД — 95%.

У нас вы можете купить мотор-редукторы в следующих монтажных исполнениях: МПО2М-15Щ (с креплением на лапах), МПО2М-15Ф (горизонтальное фланцевое исполнение), МПО2М-15В (вертикальное фланцевое исполнение), МПО2М-15ВК (вертикальное фланцевое исполнение с кольцевой канавкой на тихоходном валу).

Варианты климатического исполнения — У (для умеренного климата) и Т (для тропического климата).

ПРИМЕР УСЛОВНОГО ОБОЗНАЧЕНИЯ ПРИ ЗАКАЗЕ:

Мотор-редуктор МПО2М-15ВК-81,5-3/18АМХ100sА4У3 ТУ 2-056-223-84, где:

  • МПО2М - тип мотор-редуктора
  • 15 - условный диаметр водила, см
  • ВК - исполнение вертикальное фланцевое с канавкой на валу
  • 81,5 - передаточное число
  • 3 - мощность двигателя, кВт
  • 18 - частота вращения выходного вала, об/мин
  • АМХ100sА4 - электродвигатель
  • У3 - климатическое исполнение и категория размещения
по запросу
Подробнее
Назад
Выбор города