Ваш город:
Глазов
Ваш город Глазов?
Да Выбрать другой
Заказать звонок
Фильтр

Коническо-цилиндрические редукторы КЦ2-125Н (160Н, 200Н, 250Н)

Описание

Типоразмер редуктора

КЦ2-125Н

 Номинальное передаточное отношение, i

28

45

71

112

Номинальный крутящий момент на тихоходном валу, Т, Нxм

Режим работы

Непрерывный(ПВ 100%)

1250

Легкий (ПВ 15%)

1750

1780

Средний (ПВ 25%)

1520

1310

Тяжелый (ПВ 40%)

1500

1300

Номинальная частота вращения быстроходного вала, с-1 (об/мин)

25 (1500)

Номинальная радиальная консольная нагрузка, приложенная в середине посадочной поверхности конца вала, Н быстроходного

900

720

570

440

тихоходного

9200

9400

9300

9050

Масса, кг

 92,2

92,4

92,9

93,6

Типоразмер редуктора

КЦ2-160Н

 Номинальное передаточное отношение, i

28

45

71

112

Номинальный крутящий момент на тихоходном валу, Т, Нxм

Режим работы

Непрерывный(ПВ 100%)

1800

2000

2250

Легкий (ПВ 15%)

2600

3100

Средний (ПВ 25%)

2500

2350

Тяжелый (ПВ 40%)

2350

Номинальная частота вращения быстроходного вала, с-1 (об/мин)

25 (1500)

Номинальная радиальная консольная нагрузка, приложенная в середине посадочной поверхности конца вала, Н быстроходного

630

530

460

230

тихоходного

10600

11200

11800

Масса, кг

 144

146

148

Типоразмер редуктора

КЦ2-200Н

 Номинальное передаточное отношение, i

28

45

71

112

Номинальный крутящий момент на тихоходном валу, Т, Нxм

Режим работы

Непрерывный(ПВ 100%)

5000

4500

Легкий (ПВ 15%)

5700

6000

Средний (ПВ 25%)

4750

Тяжелый (ПВ 40%)
Номинальная частота вращения быстроходного вала, с-1 (об/мин)

25 (1500)

Номинальная радиальная консольная нагрузка, приложенная в середине посадочной поверхности конца вала, Н быстроходного

1730

1080

тихоходного

17600

16800

Масса, кг

 285

298

300

301

Типоразмер редуктора

КЦ2-250Н

 Номинальное передаточное отношение, i

28

45

71

112

Номинальный крутящий момент на тихоходном валу, Т, Нxм

Режим работы

Непрерывный(ПВ 100%)

7500

8000

Легкий (ПВ 15%)

10000

11000

Средний (ПВ 25%)

8200

Тяжелый (ПВ 40%)
Номинальная частота вращения быстроходного вала, с-1 (об/мин)

25 (1500)

Номинальная радиальная консольная нагрузка, приложенная в середине посадочной поверхности конца вала, Н быстроходного

2120

1120

850

710

тихоходного

21650

22400

Масса, кг

 558

560

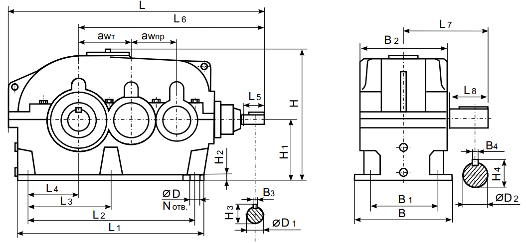
Типоразмер

awб

awт

L

L1

L2

L3

L4

L5

L6

L7

L8

КЦ2-125Н

100

125

606

425

365

100

36

441

235

105

КЦ2-160Н

125

160

710

528

470

220

130

36

515

270

130

КЦ2-200Н

160

200

950

660

590

265

155

58

710

335

165

КЦ2-250Н

200

250

1118

810

740

370

210

82

838

375

165

Типоразмер

H

H1

H2

H3

H4

oD

oD1

oD2

N отв.

B

B1

B2

B3

B4

КЦ2-125Н

302

132

22

22.5

71

18

20k6

65m6

4

255

205

235

6

18

КЦ2-160Н

380

180

25

24.5

93

22k6

85m6

6

280

230

260

22

КЦ2-200Н

440

212

30

33.5

110

22

30k6

100m6

320

270

320

10

28

КЦ2-250Н

560

280

45

44.0

136

26

40k6

125m6

400

330

400

12

32

Типоразмер

a1

a2

a3

a4

a5

oa6

oa7

oa8

КЦ2-125Н

50

36

18

4

19,7

18,2

20

М12x1x25

КЦ2-160Н

4

21,7

20,2

22

КЦ2-200Н

80

58

29

5

29,1

27,1

30

М20×1,5

КЦ2-250Н

110

82

41

10

38,9

35,9

40

М24×2

Типоразмер

b1

b2

b3

b4

b5

ob6

ob7

b8

ob9

КЦ2-125Н

140

105

52,5

16

65,5

61,5

65

270

М42×3

КЦ2-160Н

170

130

65,0

20

83,0

78,5

85

310

М56×4

КЦ2-200Н

22

88,5

83,5

90

345

М64×4

КЦ2-250Н

210

165

82,5

28

122,75

116,75

125

420

М90×4

Типоразмер

f

of1

of2

of3

f4

f5

f6

m

z

КЦ2-125Н

185

72 F8

85

168

38

20

9

4

40

КЦ2-160Н

225

120 F8

150

232

50

35

14

56

КЦ2-200Н

240

110 F8

130

252

60

30

10

6

40

КЦ2-250Н

310

150 F8

180

336

65

40

15

8

Типоразмер

awб

awт

L

L1

L2

L3

L4

L5

L6

L7

L8

КЦ2-125Н

100

125

606

425

365

100

36

441

235

105

КЦ2-160Н

125

160

710

528

470

220

130

36

515

270

130

КЦ2-200Н

160

200

950

660

590

265

155

58

710

335

165

КЦ2-250Н

200

250

1118

810

740

370

210

82

838

375

165

 

Типоразмер

H

H1

H2

H3

H4

oD

oD1

oD2

N отв.

B

B1

B2

B3

B4

КЦ2-125Н

302

132

22

22.5

71

18

20k6

65m6

4

255

205

235

6

18

КЦ2-160Н

380

180

25

24.5

93

22k6

85m6

6

280

230

260

22

КЦ2-200Н

440

212

30

33.5

110

22

30k6

100m6

320

270

320

10

28

КЦ2-250Н

560

280

45

44.0

136

26

40k6

125m6

400

330

400

12

32

Размеры конических концов валов

Типоразмер

a1

a2

a3

a4

a5

oa6

oa7

oa8

КЦ2-125Н

50

36

18

4

19,7

18,2

20

М12x1x25

КЦ2-160Н

4

21,7

20,2

22

КЦ2-200Н

80

58

29

5

29,1

27,1

30

М20×1,5

КЦ2-250Н

110

82

41

10

38,9

35,9

40

М24×2

 

Типоразмер

b1

b2

b3

b4

b5

ob6

ob7

b8

ob9

КЦ2-125Н

140

105

52,5

16

65,5

61,5

65

270

М42×3

КЦ2-160Н

170

130

65,0

20

83,0

78,5

85

310

М56×4

КЦ2-200Н

22

88,5

83,5

90

345

М64×4

КЦ2-250Н

210

165

82,5

28

122,75

116,75

125

420

М90×4

 

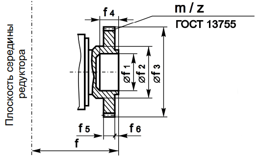
Размеры конца тихоходного вала в виде зубчатой полумуфты

Типоразмер

f

of1

of2

of3

f4

f5

f6

m

z

КЦ2-125Н

185

72 F8

85

168

38

20

9

4

40

КЦ2-160Н

225

120 F8

150

232

50

35

14

56

КЦ2-200Н

240

110 F8

130

252

60

30

10

6

40

КЦ2-250Н

310

150 F8

180

336

65

40

15

8

Варианты сборки

Примерные обозначения при заказе продукции

КЦ2-125Н-45-41- КвхЦвых-У1, где:

  • КЦ2 – Тип редуктора;
  • 125 – Межосевое расстояние;
  • Н – Передача Новикова;
  • 45 – Номинальное передаточное число;
  • 41 – Вариант сборки;
  • Квх – Конический быстроходный вал;
  • Цвых – Цилиндрический тихоходный вал;
  • У1 – Климатическое исполнение и категория размещения.
Назад
Выбор города