Ваш город:
Глазов
Ваш город Глазов?
Да Выбрать другой
Заказать звонок
Фильтр

Редуктор 1Ц2Н-450 (500, 630, 710)

Описание

Типоразмер редуктора

1Ц2Н-450

Номинальное передаточное отношение, i

8,0

10,0

12,5

16,0

20,0

25,0

31,5

40,0

50,0

Номинальный крутящий момент на тихоходном валу, Т, Нxм

35500

Номинальная частота вращения быстроходного вала, с-1 (об/мин)

16,(6) (1000)

25 (1500)

Номинальная радиальная консольная нагрузка, приложенная в середине посадочной поверхности выходного конца вала, Н быстроходного

7000

6000

5200

4000

тихоходного цилиндрический конец

47000

конец вала в виде части зубчатой полумуфты

61000

Масса, кг

1530

Ориентировочный объем масла, л. 190

Типоразмер редуктора

1Ц2Н-500

Номинальное передаточное отношение, i

8,0

10,0

12,5

16,0

20,0

25,0

31,5

40,0

50,0

Номинальный крутящий момент на тихоходном валу, Т, Нxм

45000

50000

45000

40000

Номинальная частота вращения быстроходного вала, с-1 (об/мин)

16,(6) (1000)

25 (1500)

Номинальная радиальная консольная нагрузка, приложенная в середине посадочной поверхности выходного конца вала, Н быстроходного

9300

8000

6250

5600

4000

тихоходного цилиндрический конец

53000

56000

53000

50000

конец вала в виде части зубчатой п/м

70000

65000

Масса, кг

2100

Ориентировочный объем масла, л. 260

Типоразмер редуктора

Ц2Н-630

Номинальное передаточное отношение, i

8

9,0

10

11,2

12,5

14

16,0

18

20

22,4

25

28

31,5

35,5

40

45

50

Номинальный крутящий момент на тихоходном валу, Т, Нxм

71000

75000

71000

Номинальная частота вращения быстроходного вала, с-1 (об/мин)

12,5 (750)

16,(6) (1000)

25 (1500)

Номинальная радиальная консольная нагрузка, приложенная в середине посадочной поверхности выходного конца вала, Н быстроходного

10000

8000

6200

5200

4800

тихоход. цилиндр. конец

66500

68500

66500

конец вала в виде части зубчатой п/м

79800

82200

79800

Масса, кг

3691

Ориентировочный объем масла, л 410

Типоразмер редуктора

Ц2Н-710

Номинальное передаточное отношение, i

8

9

10

11,2

12,5

14

16

18

20

22,4

25

28

31,5

35,5

40

45

50

Номинальный крутящий момент на тихоходном валу, Т, Нxм

100000

Номинальная частота вращения быстроходного вала, с-1 (об/мин)

12,5 (750)

16,(6) (1000)

20,83(1250)

25 (1500)

Номинальная радиальная консольная нагрузка, приложенная в середине посадочной поверхности выходного конца вала, Н быстроходного

13000

12000

10000

9000

8000

7100

6300

5800

тихоход. цилиндр. конец

79000

конец вала в виде части зубчатой полум.

98000

Масса, кг

4920

Ориентировочный объем масла, л. 573

 

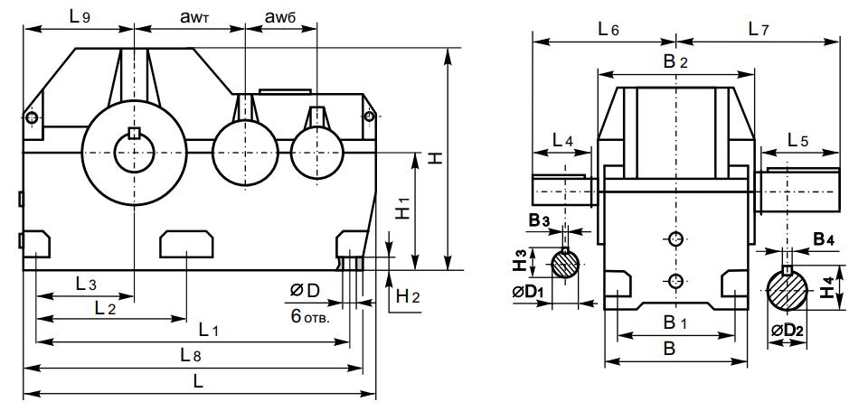
Типоразмер

i

awб

awт

L

L1

L2

L3

L4

L5

L6

L7

L8

L9

oD

oD1

oD2

1Ц2Н-450

8 – 50

280

450

1470

1060

530

260

170

300

500

650

480

35

80m6

160m6

1Ц2Н-500

8 – 50

315

500

1650

1220

615

360

170

530

690

565

42

90m6

180m6

Ц2Н-630

8 – 28

400

630

1960

1770

970

575

210

360

610

760

1920

660

52

110m6

220m6

31,5-50

170

570

80m6

Ц2Н-710

8 – 28

450

710

2250

2010

1060

660

210

410

660

870

2160

742

125m6

250m6

31,5-50

170

620

100m6

 

Типоразмер

i

H

H1

H2

H3

H4

B

B1

B2

B3

B4

1Ц2Н-450

8 – 50

870

450

50

85

169

590

515

630

22

40

1Ц2Н-500

8 – 50

1000

530

60

95

190

650

580

700

25

45

Ц2Н-630

8 – 28

1220

630

116

231

650

540

760

28

50

31,5-50

85

22

Ц2Н-710

8 – 28

1400

710

132

262

740

600

780

32

56

 

 

Размеры конических концов валов

Типоразмер

a1

a2

a3

a4

a5

oa6

oa7

a8

oa9

1Ц2Н-450

170

130

65

20

78

73,5

80

500

М56×4

1Ц2Н-500

170

130

22

88,5

83,5

90

530

М64×4

 

Типоразмер

b1

b2

b3

b4

b5

ob6

ob7

b8

ob9

1Ц2Н-450

300

240

120

36

156

148

160

650

М125×4

1Ц2Н-500

40

177

168

180

690

М140×6

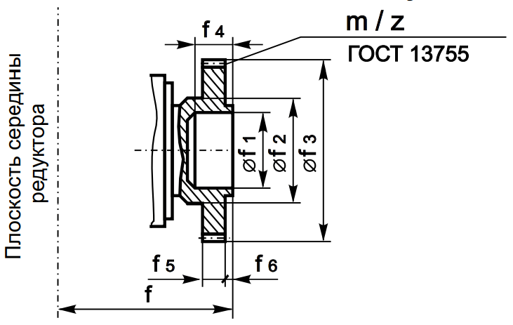
Размеры конца тихоходного вала в виде зубчатой полумуфты

Типоразмер

f

of1

of2

of3

f4

f5

f6

m

z

1Ц2Н-450

440

160F8

200

420

70

50

15

10

40

190F7

235

448

78

8

54

1Ц2Н-500

470

160F8

200

420

70

50

15

10

40

200F7

245

500

85

60

20

10

48

Ц2Н-630

508

200F8

290

504

90

60

20

12

40

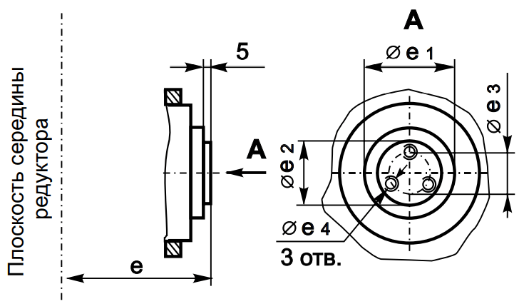
Размеры конца тихоходного вала для присоединения приборов и автоматики

Типоразмер

e

oe1

oe2

oe3

oe4

1Ц2Н-450

330

180h10

75h9

55

M8-7H

Варианты сборок редуктора 1Ц2Н

Назад
Выбор города