Ваш город:
Глазов
Ваш город Глазов?
Да Выбрать другой
Заказать звонок
Фильтр

Редукторы цилиндрические горизонтальные РК-500, РК-600

Описание

Типоразмер

РК-500

Номинальное передаточноеотношение, i

8,0

10,0

12,5

16,0

20,0

22,4

31,5

40,0

50,0

Номинальный крутящий моментна тихоходном валу, Т, Нxм

Ном. част. вращ. быстроход. вала, с-1 (об/мин)

10 (600)

Особо легкий

51270

51880

54380

57380

58290

57700

59600

52870

64850

ПВ 15%

29540

30820

32810

35160

32960

32130

35090

32350

33570

ПВ 25%

25630

26860

28610

30520

28690

28030

30280

28080

29370

ПВ 40%

21730

22740

24220

25880

24420

23580

25960

23800

24800

12,5 (750)

Особо легкий

48340

50660

53410

56640

57380

57420

60370

62010

64700

ПВ 15%

25780

28810

30520

33990

31980

31720

33840

32230

35570

ПВ 25%

22460

25020

26550

29490

27830

27620

29610

27830

28990

ПВ 40%

19040

21240

31980

23440

23680

23520

25000

23680

24270

16,6 (1000)

Особо легкий

-

-

51500

54200

55850

55370

59120

61160

ПВ 15%

-

-

27010

28270

29660

30350

33170

31490

ПВ 25%

-

-

23460

24610

25820

26460

28840

27470

ПВ 40%

-

-

19910

20950

21970

22560

24510

23440

20,8 (1250)

Особо легкий

-

-

-

-

54200

54140

57580

60060

63360

ПВ 15%

-

-

-

-

28710

28220

29300

30760

32590

ПВ 25%

-

-

-

-

25050

24610

25610

26660

28570

ПВ 40%

-

-

-

-

21240

21010

21920

22560

24170

25 (1500)

Особо легкий

-

-

-

-

-

52640

57680

58600

62560

ПВ 15%

-

-

-

-

-

25430

26340

29790

31430

ПВ 25%

-

-

-

-

-

22150

22880

25880

27470

ПВ 40%

-

-

-

-

-

18770

19420

21970

23190

Масса, кг

1230

Ориентировочный объем масла, л. 44
Типоразмер

РК-600

Номинальное передаточноеотношение, i

8,0

10,0

12,5

16,0

20,0

22,4

31,5

40,0

50,0

Номинальный крутящий моментна тихоходном валу, Т, Нxм

Ном. част. вращ. быстроход. вала, с-1 (об/мин)

10 (600)

Особо легкий

51880

56460

69620

80570

90030

90580

96130

95220

101470

ПВ 15%

43340

46540

51500

54930

56460

56740

58160

55540

57220

ПВ 25%

37840

40440

44820

48340

49130

49220

50950

48220

49590

ПВ 40%

31740

34330

38150

41020

41810

41700

42780

40890

42730

12,5 (750)

Особо легкий

51880

64090

74220

86670

88870

96130

94730

99490

ПВ 15%

42730

46540

49810

54930

53600

55370

54690

57380

ПВ 25%

37230

39670

42970

47850

46760

47680

47850

50050

ПВ 40%

31740

33570

36720

40530

39650

40380

40530

42120

16,6 (1000)

Особо легкий

65920

77820

83060

90850

91560

96130

ПВ 15%

42480

46690

48200

49030

53470

53560

ПВ 25%

36620

40280

42040

42680

46510

47610

ПВ 40%

31500

34430

35480

36340

39550

40280

20,8 (1250)

Особо легкий

73830

88830

87890

93390

ПВ 15%

41840

43840

49810

51270

ПВ 25%

36100

37840

43950

43950

ПВ 40%

31010

32070

37210

37350

25 (1500)

Особо легкий

85560

85450

91560

ПВ 15%

38830

45900

46080

ПВ 25%

33840

39800

40280

ПВ 40%

28650

33690

34180

Масса, кг

2500

Ориентировочный объем масла, л. 55

Типоразмер

awб

awт

L

L1

L2

l

l1

l2

l3

l4

l5

PК-500

350

500

1638

510

550,0

1100

610

300

205

552

120

PК-600

400

600

1896

550

595,5

1350

870

350

250

639

200

 

Типоразмер

B

B1

А1

H

H1

H2

h

od

PК-500

580

408

520

875

400

105

35

32

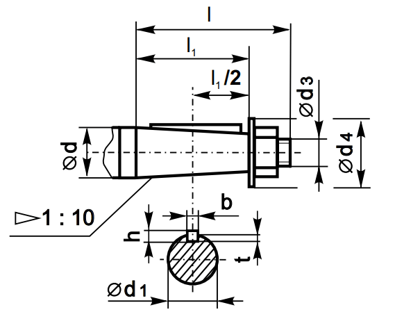
Размеры концов быстроходных валов

Типоразмер

od

od1

od3

od4

l

l1

b

h

t

PК-500

90

83,50

М64?4

130

170

130

22

14

9

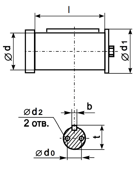
Размеры концов тихоходных валов

Типоразмер

od

od0

od1

od2

b

l

t

PК-500

130 m6

80

150

М20

32

200

141

PК-600

150 m6

170

36

162

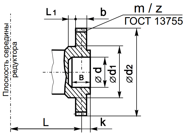
Размеры концов тихоходных валов в виде зубчатой полумуфты

Типоразмер

Индекс муфты

m

z

b

L

L1

k

B

od F7

od1 e8

od2

PК-500

М

8

54

50

363

22

40

78

190

260

448

PК-600

М

10

48

60

400

16

50

85

200

280

500

М1

8

54

50

22

40

78

190

260

448

Варианты сборки

 

Допускаемые радиальные консольные нагрузки на быстроходном и тихоходном валах

Номинальная частота вращения быстроходного вала, с-1 (об/мин) РК-500

РК-600

FБ max

FТ max

FM max

FБ max

FТ max

FM max

10,0 (600)

14,0

150,0

163,2

13,0

176,0

199,0

12,5 (750)

13,0

137,0

152,2

12,0

164,0

184,3

16.6 (1000)

11,5

124,0

137,8

10,5

150,0

168,2

20,8 (1250)

10,5

119,0

127,8

10,0

134,0

157,0

25,0 (1500)

9,9

111,0

124,4

9,1

128,0

154,0

 

Примерные обозначения при заказе продукции

РК-500-16-21-У1, где:

  • РК – Тип редуктора;
  • 500 – Межосевое расстояние второй ступени;
  • 16 – Номинальное передаточное число;
  • 21 – Вариант сборки;
  • У1 – Климатическое исполнение и категория размещения.
Назад
Выбор города